555|DELAY|TIMER|FUSE|INST, SUMM
REGS:328P, 84
|AVR-AS|NOTES:328P,84
MCU Predefines: io328p.h, iotnx4.h, iotn85.h, ATtiny Series-1: iotn414.h
ACES EAGLE SMT RESOURCES: ACES_SMT.lbr (2020 01 10), ACES_SMT.dru, ACES_SMT.cam, JLCPCB.dru
ACES Alumni Blogs/Companies: Ethan M '18, Ethan P '18, Dan R '19, Mariano E. '15
END OF COURSE (PROGRAM)
2025-2026 ICS4U-E: AVR Optimization
+/- 9V Wien-Bridge Oscillator
APRIL - MAY: 2026 Desktop Fan Project
CLASS REFERENCE HARDWARE CONTENT & CONCEPTS SOFTWARE/DESIGN SUPPLEMENTAL
75
May 21


2026 Class Project
2.5h Final Class (9:00 - 11:30)
DC Fan Assembly
Hardware Team: PCBs (EH)
Software Team: Code (JDS)
Design Team: Cases&Fasteners (TLa)
Final DER
DC Fan

NA JDS EH
TLa TLo EM KM
DO AS NW WX
74
May 19

2026 Class Project
3D Viewer
CLASS REFERENCE HARDWARE CONTENT & CONCEPTS SOFTWARE/DESIGN SUPPLEMENTAL
73
May 15
Asynch
Important
AVR Assembly
Instructions for DD:
lsl, rol, mov,
cpi, andi, brlo
2026 Class Project
Double Dabble.3
DoubleDabbleAssemblyPrep.docx
Review the AVR's
SREG
How do I make a
Double Dabble
circuit with
Logic Gates?
Double Dabble
NA JDS EH
TLa TLo EM KM
DO AS NW WX
72
May 13
AP Mech
12:00 am
EM, WX

2026 Class Project
Double Dabble.2

71
May 11
AP Calc
8:00 am
EM, DO
AS, WX
2026 Class Project
FramePlayer
2026 Class Project
Double Dabble.1
CLASS REFERENCE HARDWARE CONTENT & CONCEPTS SOFTWARE/DESIGN SUPPLEMENTAL
70
May 7
2026 Class Project
FramePlayer
'Attempted'
explanations of
WHY
the DD Algorithm works:
Video
Text
2026 Class Project
Review of
Conversions between Bases
Integer and fractional parts
Double Dabble
(aka Shift-Add 3)
DoubleDabbleWork.docx


Number
Base Conversions
69
May 5
AP Chem
8:00 am
TLo, DO
AS, WX
2026 Class Project
FramePlayer
2026 Class Project
Great UTF-8 Reference
(Down. for good?)
Appnote AVR127:
Understanding
ADC Parameters
CLASS REFERENCE HARDWARE CONTENT & CONCEPTS SOFTWARE/DESIGN SUPPLEMENTAL
68
May 1
2026 Class Project
FramePlayer

Box Drawing Characters


J. Rogan (3 - 4 pm)
(ACES '23, McGill '27)
2026 Class Project
UART0
.asciz directive
UARTOneStringAssemblyLevel.docx
UART Register Summary
AVR Progam and Data
Addressing Modes

Unicode Code Charts
vs
UTF-8 (Hex) Encoding
Detailed look at
AVR CPU Registers
(Addressing Modes)
Phanteks
T30-120 Review

Essential
USART References
ATmega328P
Using the USART
in AVR-GCC

Newhaven LCD


67
Apr 29
2026 Class Project
FramePlayer
2026 Class Project
Creation and Assembly of your Stripboard
DC Fan Adapter Board
(to be covered/included in
your final DC Fan DER)

66
Apr 27
2026 Class Project
FramePlayer
MUST READ
N. Gammon on

ADC Conversion
on the Arduino
2026 Class Project
ADC
Analog-to-Digital Conversion

ADC Register Summary
ADCprescalers.h
Add a 0.1 μF Cap
to AREF Pin for
Noise Reduction
CLASS REFERENCE HARDWARE CONTENT & CONCEPTS SOFTWARE/DESIGN SUPPLEMENTAL

65
Apr 23
2026 Class Project
FramePlayer
MUST READ
N. Gammon on

ADC Conversion
on the Arduino
2026 Class Project
ADC
Analog-to-Digital Conversion

ADC Register Summary
ADCprescalers.h
Add a 0.1 μF Cap
to AREF Pin for
Noise Reduction
64
Apr 21
2026 Class Project
FramePlayer
Evan found
this Fan inspiring
...
2026 Class Project
Generating the
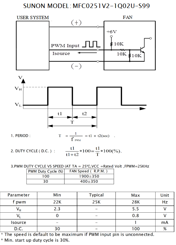
25 kHz PWM Signal for
2019 Sunon Fan Datasheet
io328p.h
Xander and his buddies
Tiny-TPU
2026
Socratica
Symposium
(CHUMP cameo!)
CLASS REFERENCE HARDWARE CONTENT & CONCEPTS SOFTWARE/DESIGN SUPPLEMENTAL
63
Apr 17
PCBs: Next Level
G. Davidge & L. McCartney
(ACES' 24, McGill '28)
MRT
Rocket Lauch
Photo
MRT
Rocket Lauch
Video
62
Apr 15
2019 DC Fan PCB

2026 Class Project
Timer0: PWM Fan Speed
2019 Sunon Fan Datasheet
J. Czekalla
ACES '24, Concordia '28
1:00 in the DES
2019 Fan Choice
61
Apr 13
2026 Class Project
FramePlayer
ISP.Medium Pesentations
WX, EH, NA
2026 Class Project
Timer 0: PWM
328p Timer0:
Register Description
CLASS REFERENCE HARDWARE CONTENT & CONCEPTS SOFTWARE/DESIGN SUPPLEMENTAL
ARTEMIS II LIVE
60
Apr 9
2019 Fan Choice
ISP.Medium Pesentations
TLo, EM, NW, TLa, DO
ISP.Medium
NA JDS* EH** TLa TLo
EM KM DO* AS* NW* WX
59
Apr 7
Intel Primer:
4-Wire PWM Controlled
DC Fans
ISP.Medium Presentations
AS, KM, JDS
ISP.Medium
EASTER LONG WEEKEND (April 3-6)
CLASS DC FAN PROJECT HARDWARE CONTENT & CONCEPTS SOFTWARE/DESIGN SUPPLEMENTAL
58
Apt 1
DC Fan
Selection Guide

2019
DC Fan Project
2026 Class Project
Timer 1: Normal Overflow
2019 DC Fans
Prior to Final Assembly
Online Resource
AVR Timer
Calculator

Timer-specific predefines:
prescalers.h
AppNote AVR130:
Setup and Use of
AVR Timers

AVR-as
Relocatable Expression Modifiers

lo8() and hi8()
57
Mar 30
2026 Class Project
FramePlayer
Introduction of the
2026 Class Project
Timer 1: Normal Overflow

Timer1 Registers
MCU-specific predefines:
io.h, iom328p.h
CLASS SUPPLEMENTARY CONCEPTS PROJECTS SUBMISSIONS
56
Mar 26
In 5 years?
ISP.Medium Previews
EH, TLo, JDS, AS, NA
55
Mar 24

Sponsorship Catalog
ISP.Medium Previews
KM, EM, NW, TLa, DO, Wx
MARCH BREAK (March 9-20)
JANUARY - MARCH: SAR ADC, ISP.Medium, AVR 8-Bit Assembly
CLASS SUPPLEMENTARY CONCEPTS PROJECTS SUBMISSIONS
54
Mar 6
Asynchronous
Parent/Teacher
Interviews


RSGC ACES: SAR ADC 3
SARADC Primer (Yamada)
SARADC Schematic and Timing
SAR ADC 3
(Completed)
NA JDS* EH* TLa
TLo EM KM DO
AS NW* WX*
53
Mar 4
Alumni Visits (3-4)
R. Jamal and M. Zischka
(ACES '25, McGill Eng. '29)



RSGC ACES: SAR ADC 3
SARADC Primer (Yamada)
SARADC Schematic and Timing
3.4.3
52
Mar 2



RSGC ACES: SAR ADC 3
SARADC Primer (Yamada)
SARADC Schematic and Timing
SAR ADC 2
(Analog Input: Optional)
TLo**
CLASS SUPPLEMENTARY CONCEPTS PROJECTS SUBMISSIONS
51
Feb 26
Excalidraw (JDS)



RSGC ACES: SAR ADC 2
SARADC Primer (Yamada)
SARADC Schematic and Timing
3.4.2
50
Feb 24
Morland Bargraph V4

AVR Standalone Assembly
Dual MBV4 shiftOut
The Stack for Temporary Storage
Stack Instructions: push and popRegister Instructions: out vs sts


MCU-specific predefines: io.h, iom328p.h
CLASS SUPPLEMENTARY CONCEPTS PROJECTS SUBMISSIONS
49
Feb 20

SMD Soldering Summary

RSGC ACES: SAR ADC 2
SARADC Primer (Yamada)
SARADC Schematic and Timing
TLo, EH, KM, EM for Grade 7-8 STEM (12 - 1)
Start Using it:
Excalidraw
Excalidraw Tutorial
3.5
Task


NA JDS* EH TLa
TLo* EM KM DO
AS NW WX*
48
Feb 18
Morland Bargraph V4
AVR Standalone Assembly

For a DEEP understanding of
the AVR hardware platform...
A terrific AVR Assembly Blog

reverseBits

SAR ADC 1
(Overview and Clock)
NA JDS* EH TLa*
TLo EM KM DO
AS* NW* WX*
  Drop by and talk to
Xander Chin
(ACES '22, Western Eng. '27, NVIDIA Intern)

Wed. Feb. 18, After School (3-4 pm)
Must Watch: Xander's Final ISP...
Giant RGBW Wall. Pt 2.
Advice from Xander...
FAMILY DAY WEEKEND (February 13-16)
CLASS SUPPLEMENTARY CONCEPTS PROJECTS SUBMISSIONS
47
Feb 12



RSGC ACES: SAR ADC 1
ADC Methods:
Successive Approximation

SARADC Primer (Yamada)
SARADC Schematic and Timing
Elliott's Electrical StackExchange Post
3.4.1
46
Feb 10
AVR Standalone Assembly
Complete:
BicolorBlinkStandalone.S with delay
First Look at Interrupts
Timer 0 Overflow
Timer-specific predefines:
prescalers.h
'Play a Byte?"


CLASS SUPPLEMENTARY CONCEPTS PROJECTS SUBMISSIONS
45
Feb 6


ISP.Medium Proposal

RSGC ACES: SAR ADC
SARADC Primer (Yamada)
SARADC Schematic and Timing

ISP.Medium Proposal

3.4.1
44
Feb 4
delay (simplest)?


StandaloneBicolor.docx
First Look at
AVR Standalone Assembly
CHUMPAVR
Back to the IDE Toolchain for a moment...
Arduino Sketch Host:
main.cpp

AVR GNU Assembler:
AVR-as
MCU-specific predefines: io.h, iom328p.h
Bicolor Blink
Traffic Light

43
Feb 2

InlineBlink.docx
AVR Inline Assembly
INSTRUCTION SETS: CHUMPAVR
PORTS: ATmega328p
AVR CPU Registers

AVR Instructions:
ldi,out,sbi,cbi,eor

CLASS SUPPLEMENTARY CONCEPTS PROJECTS SUBMISSIONS
42
Jan 29
(Asynch)
A rewarding ISP for
(Electrical) ACES?
Direct Drive LCD

ATMEL Appnote:
LCD Direct Drive
Mr. D's attempt long ago
Alfred State College:
LCD Programming
in AVR Assembly

ACES Project LCD
RSGC ACES: SAR ADC
FALSTAD DAC Simulation
ADC Methods: Successive Approximation
ATmega328P Datasheet:
ADC: Analog-to-Digital Conversion

G. Staznik (ACES '25, Concordia Eng. '29)
The to SAR ADC?
The Analog Comparator!
3.4.1

AnalogComparator.docx
41
Jan 27

Chipset Exchange:
CHUMP ⇔ SARADC
Hackaday: SAR ADC

Mitsuru Yamada
A Note to ACES from Dr. Yamada


Reflection Quote from J. Kafka (ACES '25)

Dr. Yamada acknowledges ACES
The obsolete
ADC0804
Two ACES Examples
An ADC
relies on a DAC!



The DUE has 2 DACs...

...and a CAN Bus!
3.4.1
Here are the completed
SAR ADC ('24)
JC, GD, LM, AS
SAR ADC ('25)
NC HG CH RJ JK
TK LQT GS AT MZ
CLASS SUPPLEMENTARY CONCEPTS PROJECTS SUBMISSIONS
40
Jan 23
Square Wave
Approximation


Harmonics
Acceleration Consortium
Recognising
Odd and Even Harmonics
in AC Waveforms

ISP Idea:
Personal
Reflow Hot Plate
ISP Idea...

SPI-Level
Waveform Generation
with the AD9833

39
Jan 21
ISP.Long Presentations
JDS, EM, NA, TLa, WX, TLo
Inspiring: Xander Chin's (ACES '22)
Tiny-TPU
ISP.Long
NA, JDS, EH, TLa
TLo, EM, KM, DO
AS, NW, WX

Audio
38
Jan 19
ISP.Long Presentations
EH, DO, KM, AS, NW
3.2.2
(ISP.Long Pub.)
CLASS SUPPLEMENTARY CONCEPTS PROJECTS SUBMISSIONS
37
Jan 13
Waveform Generation
Direct Digital Synthesis (DDS):
Sine Wave

AD9833 Programmable Waveform Generator
Why does a low-pass filter applied
to a square wave give a weird wave?

ISP Idea:
Personal (Class Set?)
Signal Generator


CLASS SUPPLEMENTARY CONCEPTS PROJECTS SUBMISSIONS
36
Jan 9

Useful Soon...
Peak Detection
(Sample & Hold)
Waveform Generation
Sinusoidal Pulse Width Modulation (SPWM)
Sine Lookup Table Generator
Timer2 Registers

ESP32 Spectrum Analyser
VU meter using arduinoFFT
and a FastLED matrix

Analog Output from
PWM and Low Pass Filter

ECSE 206


How Low Pass Filters Work

2 × Falstad:
Capacitor Reactance
to DC and AC Signals


Low-Pass Filter of
490 Hz PWM

35
Jan 7
Arduino PWM and
analogWrite() Explained

January Q&A
Waveform Generation
analogWrite() Revisited
G. Davidge (ACES '24):
8-Channel Spectrum Analyzer

A Love Letter to Embedded Systems

1st Year of
Electrical Engineering
(5 min)

Simplest(?) DAC:
R/2R
Resistor Network

Prusa Tech: 8:00 am

ISP Idea: Perceptrons
CHRISTMAS BREAK (December 18 - January 5)
DECEMBER: CHUMP Enhancement and Introduction to Waveform Generation
CLASS SUPPLEMENTARY CONCEPTS PROJECTS SUBMISSIONS

The Fourier Series and Fourier Transform Demystified (14:47)

34
Dec 16

Alumni Visit (3:00 - 4:00)
S. Appleyard
(ACES '23,
Dyson School
of Design Engineering
,
London, '26)


Waveform Generation
Frequency and Duty Cycle


DTMF Dial Tone (440 Hz & 350 Hz)
2C53T Confirmation


Fast PWM (Timer1 Mode 15)
LM386 Audio Amp

Something for the holidays...
Math & Physics
Explore Lissajous Figures
on your handheld scope
Lissajous Figures
TikTok also hosts
2C53T Lissajous
video explanations
CHUMP Enhanced
JDS, NW
CHUMP IDE - JDS
Register-Level
Driving of your
FS5103B
FEETECH
Standard Servo



FastPWM on Timer1 (Mode 15)
CLASS SUPPLEMENTARY CONCEPTS PROJECTS SUBMISSIONS
33
Dec 12

What do the various
Electronic Waveforms
Sound Like?

ISP Idea?
Create a (Passive) Mixer?

Waveform Generation
Frequency Only


DTMF Sounds and Audio Files
Dial Tone Sample (see below)

Alumni Visit (12:30-1:30)
K. Fiset-Algarvio
(ACES '19, Guelph Eng. '25)
ISP Live Demonstrations
8x8x8 LED Cube
POV Globe
Online Resources
AVR Timer
Calculator

Tone Generator

3.5 mm Audio Jacks
3.3.5
Frequency Table


Switchcraft 35RAPC2BH3

32
Dec 10

FNIRSI 2C53T
Oscilloscope/DMM
Introductions
Uni-Byte
Rick Makes
Waveform Generation
Frequency Only
The key to (binary) counters (toggling)?
Divide by 2 (Falstad)

3.5 mm Audio Jacks
3.3.5
31
Dec 8
328p Timer1
Block Diagram
A. Shen's SMT Practice Week
AVR ATmega328p Timers
Waveform (Frequency and Duty)
Generation

The Basics
ATmega328p Register Summary

prescalers.h
3.3.5

DECEMBER: ISP.CHUMP IV: RAM, Mux, Address, Accumulator and Control EEPROM

CLASS SUPPLEMENTARY CONCEPTS PROJECTS SUBMISSIONS
30
Dec 4
R. Jamal's Code
Exemplar
CHUMP:
RAM, Mux, Address, Accumulator
and Control EEPROM

Work Period #4
Your final mark will be based partly
on how focused, independent and productive
I feel you are in class

Project 3.?
UNPACKED: MSGEQ7
CHUMP:
RAM, Mux, Address
Accumulator and
Control EEPROM
NA, JDS, EH*, TLa
TLo**, EM, KM, DO
AS, NW**, WX*
29
Dec 2
Find 14 minutes ...
Direct Digital Synthesis
- How DDS Works
and an Arduino Example

Speak to me anytime
after watching
CHUMP:
RAM, Mux, Address, Accumulator
and Control EEPROM

Work Period #3
Your final mark will be based partly
on how focused, independent and productive
I feel you are in class
ISP Gem:
L Cassano ('22)
Desktop Mini Fridge
3.3.4

MOVEMBER: ISP.Long Previews and CHUMP III: ALU

CLASS SUPPLEMENTARY CONCEPTS PROJECTS SUBMISSIONS
28
Nov 28
How to Use
PLC Simulator

Online PLC
Ladder Logic
Simulator
CHUMP:
RAM, Mux, Address, Accumulator
and Control EEPROM

Work Period #2
Your final mark will be based partly
on how focused, independent and productive
I feel you are in class
ISP Gem:
L Quintas-Tang's ('25)
Helping Hand

3.3.4
27
Nov 26

CHUMP:
RAM, Mux, Address, Accumulator
and Control EEPROM

Work Period #1
Your final mark will be based partly
on how focused, independent and productive
I feel you are in class
3.3.4
26
Nov 24
Please Have Your
CHUMP Workbook
With You In Class
Knights of the Square Table...
CHUMP: The Buses
CHUMP Buses
Address, Mux, Control
and Data Buses
Remaining IC Overviews
EEPROM Control Codes
3.3.4
CLASS SUPPLEMENTARY CONCEPTS PROJECTS SUBMISSIONS
25
Nov 20
Find 3 minutes
with your headphones...
What do
Electronic Waveforms Sound Like?

Speak to me anytime
after watching
Previews

EH, WX, KM, AS, NA
ISP Gem:
J Kafka's ('24)
TEJ3M Load Cell

3.3.4
24
Nov 18
Find 14 minutes...
The Fourier Series and
Fourier Transform Demystified

Speak to me anytime
after watching
Previews

JDS, EM, NW, TLa, DO, TLo
ISP Gem:
A. Bizzarri's ('24)
Ball Balancer

3.3.4
PARENT-TEACHER INTERVIEWS (November 13 and 14)
CLASS SUPPLEMENTARY CONCEPTS PROJECTS SUBMISSIONS
23
Nov 11
A. Shen's
Translation of...
SMD Practice
PCB Instructions
ALU / ISP / SMD
Work Period
Find 14 minutes...
The Most Important
Programming Language
No One Learns Anymore

(RSGC ACES excepted)
ISP Gem:
N. Cooper's ('25)
Bluetooth Mouse

3.3.3
CHUMP: ALU
ARITHMETIC and
LOGIC UNIT

NA, JDS, EH, TLa,
TLo, EM, KM, DO,
AS*, NW**, WX
SMD
Soldering
Project
Watch this video first!
The instructions
3.4
MID-TERM BREAK (NOVEMBER 7-10) Classes Resume on Tuesday November 11 (Cycle 1 - Day 5)
CLASS SUPPLEMENTARY CONCEPTS PROJECTS SUBMISSIONS
22
Nov 5
J. Shibley's
Custom ALU

L. R-C's ALU Shleld
Watch the insanely-inspiring...
...ACES '21...
← ALU Lockdown Legacies
ACES' ALU Breadboard Explorer

You've got the time and resources ...

... to imagine a more permanent
ALU Explorer
Coming soon in uni
PLCs vs FGPAs
Looking for a
CHUMP Extension?
Consider

CHUMP as FPGA
Replace Feinberg's Instructions Set
with
Logic Instructions
and use A=B pin as the output of your
Combinational
or
Sequential
Logic Circuit
3.3.3
A=B pin:
Open
Drain/Collector


Looking for an
ISP.Medium Idea ??
ACES SMD Solder
Lapel Pin

21
Nov 3
ACES' Own
@ SpaceX



J. Rogan
Electrical
Technical Director
CHUMP:
Arithmetic and Logic Unit
Please have your
CHUMP Workbook
with you in Class
K. Shirriff's Blog...
Inside the vintage 74LS181 ALU chip:
How it works and why it's so strange

ALU Logic Functions Worksheet
Consider labelling your CHUMP chips

Previews
November 18 and 20
3.4
SMD Soldering Practice

RSGC ACES
ALU Explorer Shield
OCTOBER: ISP.Long and CHUMP II: Clock, Code, Counter and EEPROM
CLASS SUPPLEMENTARY CONCEPTS PROJECTS SUBMISSIONS
20
Oct 30

Why do Engineers Confuse
Hallowe'en with Christmas?

Work Period for
CHUMP: Program EEPROM


Medium ISP Idea/Inspiration?
Perceptrons
How to make a basic AI model out of LOGIC GATES (Binary Perceptron)
CHUMP Gem:
Program EEPROM
L Quintas-Tang ('25)
3.3.2
CHUMP:
Program EEPROM

NA, JDS, EH*, TLa,
TLo*, EM*, KM, DO,
AS*, NW*, WX
19
Oct 28
A Better Option?
Dual-digit
Common Anode
7-Segment Display

with

TTL SN74LS47 CA
(Open Collector)
Display Driver
Work Period for
CHUMP: Program EEPROM
Build an EEPROM Programmer



Shield Burner Code
3.3.2
ISP Gem
8-Bit Audio Player
R. Jamal ('25)
CLASS SUPPLEMENTARY CONCEPTS PROJECTS SUBMISSIONS
18
Oct 24
Shield Burner Code

Work Period for
ISP.Long
or
CHUMP: Program EEPROM
D. Raymond and J. Corley
CHUMP Board ('19)



3.3.2
ISP Gem
STM32F100R4T6B
Development Board

J. Czekalla ('24)
17
Oct 22
Dual-digit
7-Segment Display

'24 Example
L. Quintas-Tang
CHUMP: Program EEPROM
ESSENTIAL Viewing
for coming classes.
B. Eater's:
Using an EEPROM to replace
Combinational Logic

(@12:23)
AND

Build an EEPROM Programmer
Enrichment. B. Eater's...
Designing a 7-Segment Decoder
In your Grade 11 kit...
...Dual-digit, 14 Segment
Alphanumeric Display

ISP Gem
Tiplady Turntable
A. Tiplady ('25)
16
Oct 20

View 3D Version
RSGC Admissions Video:
ACES 2018:
What Did Your Son
Learn At School Today?

CHUMP: IC Presentations
3.3.2
ISP Gem
Giant RGBW LED Wall
X. Chin ('22)
SEPTEMBERish: Charlieplex Clock and CHUMP I - Introduction and Design: Clock, Counter
CLASS SUPPLEMENTARY CONCEPTS PROJECTS SUBMISSIONS
15
Oct 16
EH/WX ALU Presentation:
(Terrific Blog)
SN74LS181
CHUMP: Code, Clock and Counter
Work Period

12-LED Bargraph
CHUMP:
Code, Clock and Counter

NA, JDS, EH, TLa,
TLo, EM, KM, DO,
AS, NW, WX
14
Oct 14
G. Davidge's CHUMP:
Ports

Work Period for either...
ISP.Long Proposal
or
CHUMP: Code, Clock and Counter

R. Jamal's CHUMPanese Instruction Set
R. Jamal's CHUMP:
I/O Ports


ISP Gem
CNC Wire Cutter
L. Cassano ('22)
THANKSGIVING LONG WEEKEND (October 11-14)
CLASS SUPPLEMENTARY CONCEPTS PROJECTS SUBMISSIONS
13
Oct 9
Ampacity of
Trace Widths

CHUMP: Code, Clock and Counter
B. Eater's terrific 4-part
video series:
Part 4: Clock Logic
3.3.1 Discussion Session
Code, (Use Model Below)
Clock and Program Counter (pp. 24-25)

DO Presentation:
SN74LS161
Carry Lookahead
Full appreciation
of this video requires an understanding of
Karnaugh Maps (KMaps)
that we explore
in the third term.
Reddit Post on the
ENP and ENT pins
3.2.1
3.3.1
12
Oct 7
555 Tutorial
ISO vs ASME Drawing Standards

Fusion 360:
Differences between ASME and ISO
Drawing Standards

CHUMP: Clock
B. Eater's terrific 4-part
video series:
Part 1: Astable
B. Eater's terrific 4-part
video series:
Part 2. Monostable
B. Eater's terrific 4-part
video series:
Part 3. Bistable
3.2.1
3.3.1
CURRICULUM NIGHT (October 6)

Theory is when you know everything but nothing works.
Practice is when everything works, but you don’t know why.
In the lab, theory and practice are combined.
Nothing works, and nobody knows why.

SEPTEMBER: Charlieplex Clock
CLASS SUPPLEMENTARY CONCEPTS PROJECTS SUBMISSIONS
11
Oct 3
CharlieClock Work Time   Project 3.1
CharlieClock
NA, JDS, EH*, TLa,
Tlo, EM, KM, DO,
AS, NW, WX*
10
Oct 1
CHUMP:
CHUMPanese
Examples

(p. 18)
CHUMP
IC Assignments
CHUMP VM
(CodePen)
CHUMPVM Tutorial
Swapping Variables
Try it!
CHUMPanese:
3, 2, 1, 0, 3, 2, 1, 0, 3, 2, 1, 0, 3, ,...
CHUMP Inspiration...
L. McCartney (ACES '24)
Custom Bargraph Display

ACES' Fusion 360
Design Files Repository
3.1

9
Sep 29
CHUMP:
Instruction Set

(p. 15)
CHUMP:
A Simple and Affordable TTL Processor
D. Feinberg

4. Instruction Set
5. Control Logic
6. Course Content
7. The CHUMPanese Language
8. Reflection
CHUMP Inspiration...
X. Chin (ACES '22)
Address Register

ALU
3.1
Down Memory Lane...
CLASS SUPPLEMENTARY CONCEPTS PROJECTS SUBMISSIONS
8
Sep 25
CHUMP:
Workbook


CHUMP:
A Simple and Affordable TTL Processor
D. Feinberg

1. Introduction
2. Lab Kit Requirements
3. Datapath
Computer Architecture
Von Neumann
vs
Harvard
CHUMP Inspiration...
D. Raymond & J. Corley
(ACES '19)
CHUMP on PCB
3.1
ACES' Own
@ SpaceX

7
Sep 23
JLCPCB's DFM Analysis of
USB CharlieClock V1

Case Consideration...
Wall Mounting?

Fusion 360 Refresher

1. EasyEDA: File>Export>DXF
(Board Outline & Hole Layers only)
2. Fusion 360: Insert > DXF
Good Video
EasyEDA to Fusion360
USB CharlieClock PCB
USB CharlieClock Case

TERRY FOX DAY (September 20)
CLASS SUPPLEMENTARY CONCEPTS PROJECTS SUBMISSIONS
6
Sep 18
doodLED
Motherboard

Schurter Power Jack
EasyEDA Refresher
PCB Bill of Materials Confirmation



Your September Q&A...

ISP FFC Connection
ACES'
USB CharlieClock PCB

THT to SMT
ISP Adapter
5
Sep 16
ACES 328p
SMT Trainer
CharlieClock
Hours and Minute Updates
PinChangeInterrupts.ino
EasyEDA Refresher
ACES 328p
SMT Trainer
Schematic
ACES 328p
SMT Trainer
CLASS SUPPLEMENTARY CONCEPTS PROJECTS SUBMISSIONS


Pin Change Library?

ACES AVOID Libraries
Pin Change Interrupts
on the ATmega328P
Excellent video...
Pin Change Interrupts
(start at 19:51)

Terrific Blog...
Arduino Pin Change Interrupts
ATmega328P Datasheet
Pin Change Registers
PORTS


Enable PCI Port

Enable Pin(s)

ATmega328p Pin Mapping

4
Sep 12
For Hours & Minutes...
(Hardware)
Debounce Options

External Interrupts
attachInterrupt()
PierceOscillatorMonitor.ino

USB
CharlieClock idea?


3.1

Fusion 360:
Emboss Text

View 3D Version

Aoyue 968A
Hot Air Rework Station


DER Cover Photo?
SMD Soldering
(must watch)
SMD Soldering Tutorial | Guide | Tools | Tecniques | Stencil
DES SMD Soldering (3 Options):
1. Hand (0.3mm solder wire)
2. AOYUE 968 Hot Air Rework Station
3. DIY Reflow Oven
(Stencils & Examples)

Staznik (Vin/5V)
Power Adapter
3.1

SMT: Focus on Thin...

The
MorlandBargraphV4
in action


3
Sep 10

32.768 kHz Quartz Crystal


Timebase for your CharlieClock...
Pierce-Gate Crystal Oscillator



Deep Dive...
Pierce-Gate Crystal Oscillator

3.1
CharlieClock V2
Data Model
Library Documentation
TimerOne.h


2
Sep 8
September Q&A

ACES
Charlieplex Equalizer
in action


Math is Fun: Permutations


C coding of
Charles Malcolm Allen's
Charlieplexing
on the ACES' Charliestick
Is English the ultimate coding language?
Possibly, but Wise ACES will resist
Vibe Coding
at least while they're in school

3.1

Primary
Connector
Considerations
:

Pitch (2/2.54)
Mounting (THT/SMT)
Gender (M/F)
Straight/RTAng
Mating/Post/Collar
Gold/Tin




CLASS SUPPLEMENTARY CONCEPTS PROJECTS SUBMISSIONS
1
Sep 4

Alumni Visit
after school today! (3-4):
Josh Dolgin ACES '20
Waterloo BASc '25
Mechatronics Engineering
2025/2026
ACES' Program

Our ACES' Program: Contradictions
Humber College:
The Barrett
STEAM
Academy

Student Outline
Mr. D's Timetable

 

ACES Hall of Fame:
R. Jamal '25
Schulich Leader: Xander Chin '22
J. Dolgin '20 (Tesla),
D. Raymond '19 (SpaceX),
E. Peterson '18 (Apple),
T. Morland '18 (Tesla),
E. McAuliffe '18,
P. Bagga (Ford),
Mariano Elia '15:
Hackster.io, Argon Prototypes
Day Calendar
Distribution of and Workbooks

TA Discussion

Jumper Wire
Supplements
(0.3" and 0.4")
ACES' Discord
3.1
CharlieClock



I have no formal training in electronics or electrical engineering - I'm just really interested in this field. The knowledge and skill I have has been largely acquired over the last few years from learning alongside many talented Georgians and I look forward to expanding my capabilities by working with you this year.
I ask six things of my ACES (for most other things I'm usually flexible):
1. Do not cheat.
2. Show respect for adult visitors that enter the DES by immediately stopping what you are doing, standing and facing the individual(s).
3. Show respect for the lab by not eating in the DES. You may go into the hallway for a quick bite if you need to.
4. Show respect for the lab's resources by not wasting or misusing them.
5. Show respect for others that use the lab by putting your projects away and leaving your bench area tidy when you leave.
6. Show respect for yourself by looking (and speaking) your best. It's the little things keep the doors of opportunity open.
Growing Success, p. 29
Responsibility, Organization, Independent Work, Collaboration, Initiative, Self-Reliant Growing Success. p.11.

It is worth noting, right from the start, that assessment is a human process, conducted by and with human beings, and subject inevitably to the frailties of human judgment.
However crisp and objective we might try to make it, and however neatly quantifiable may be our "results", assessment is closer to art than science.
It is, after all, an exercise in human communication.
Knowledge: Subject-specific content acquired in each course (knowledge), and the comprehension of its meaning and significance (understanding).
Thinking: The use of critical and creative thinking skills and/or processes, as follows:
Communication: The conveying of meaning through various forms, as follows:
Application: The use of knowledge and skills to make connections within and between various contexts.